概述
GX型螺旋輸送機是利用螺旋轉動將物料沿機殼連續推移而進行輸送的。本機具有結構簡單,外形尺寸小,成本低,操作安全,能按工藝要求滿足多點進料和排料。
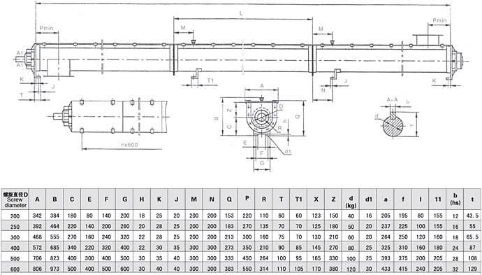
技術性能與技術參數

GX型螺旋輸送機的制法和裝法說明
GX螺旋機按使用場合要求的不同,分為S制法和D制法兩種。
S制法一帶有實體螺旋面的螺旋,其螺距等于直徑的0. 8倍。
D制法一帶有帶式螺旋面的螺旋,其螺距等于直徑。
GX螺旋機按驅動裝置裝配方法的不同,分為右裝和左裝兩種:
右裝一站在電動機尾部向前看,減速器低速軸在電動機的右側。
左裝一站在電動機尾部向前看,減速器低速軸在電動機的左側。
GX螺旋機的出料口有方形出料口、手推式出料口和齒條式出料口三種.后兩種出料口拉板的開閉方向,隨安裝不同而分右裝、左裝兩種:
右裝一站在螺旋機頭節往尾節看,拉板向右拉開。
左裝一站在螺旋機頭節往尾節看,拉板向左拉開。

進出口裝置
